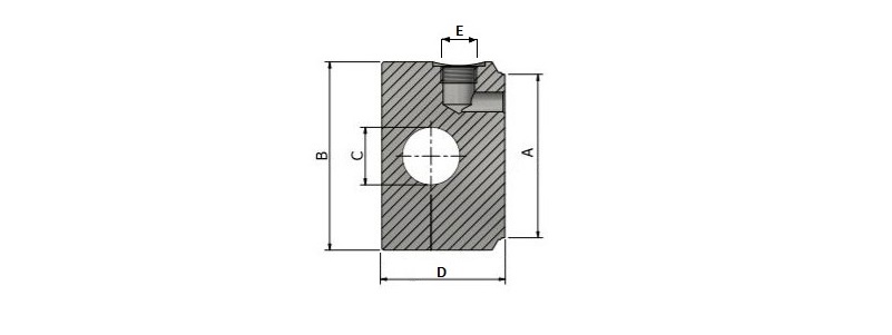
| REFERENCIA | PART NUMBER | Ø A | Ø B | Ø C | D | E |
|---|---|---|---|---|---|---|
| MM | GAS | |||||
| 112400 | CFE0400504 | 40 | 50 | 16.20 | 50 | 1/4 |
| 112509 | CFE0500606 | 50 | 60 | 20.25 | 60 | 3/8 |
| 112510 | CFE0600706 | 60 | 70 | 25.25 | 60 | 3/8 |
| 112511 | CFE0700806 | 70 | 80 | 25.25 | 60 | 3/8 |
| 112512 | CFE0800958 | 80 | 95 | 30.25 | 75 | 3/8 |
| 112513 | CFE1001158 | 100 | 115 | 35.25 | 75 | 3/8 |